2810 Bunsen Ave, Ventura, CA 93003, USA
2810 Bunsen Ave, Ventura, CA 93003, USABasics
Description
-
Description:
Industrial Warehouse for Sublease in Ventura, CA
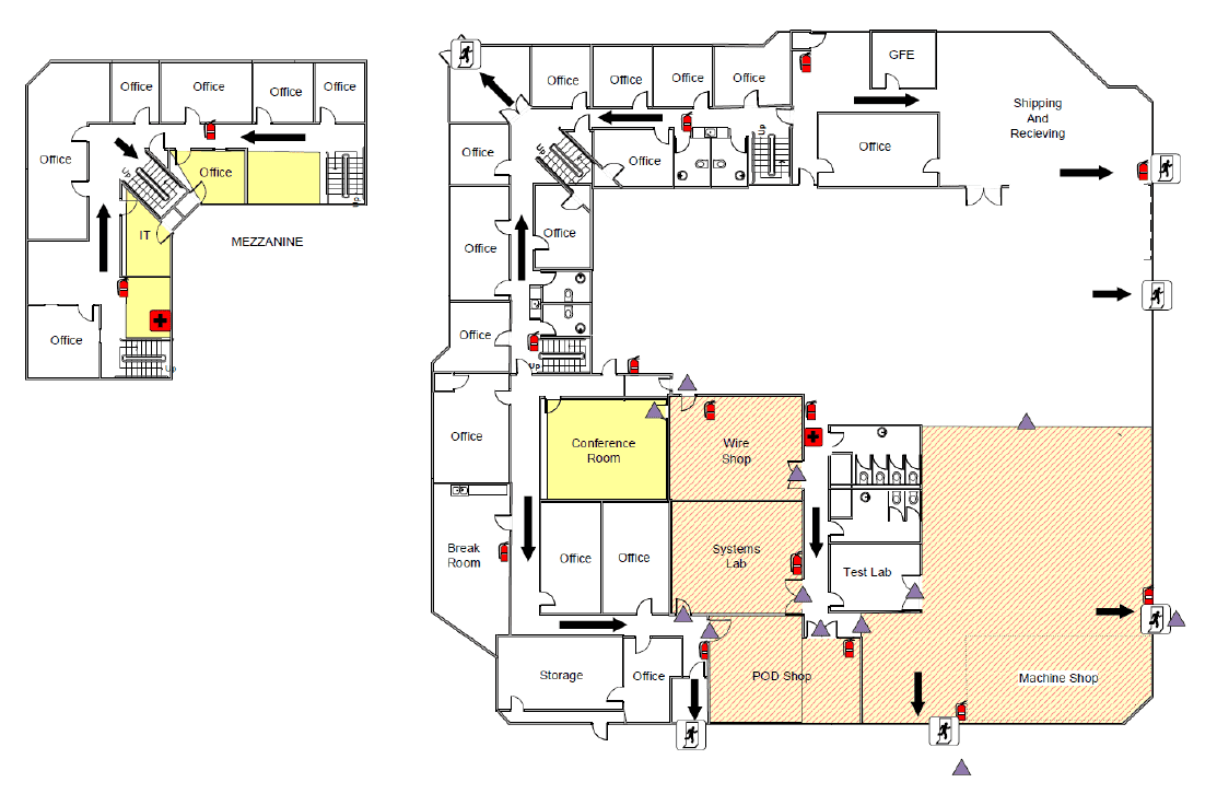
Found at 2810 Bunsen Avenue is a standalone industrial warehouse, roughly 23,278 square feet, available by way of sublease within central Ventura, California. Immediate connectivity to Highway 101 comes through proximity to Victoria Avenue. Occupying 1.19 acres, it presents practical storage capacity along with favorable vehicle parking distribution. Its placement near the coast supports operations targeting both Ventura County and wider Southern California markets.
Suitable for production, minor assembly, logistics, or industrial services needing a tidy functional space near major roads stands this structure. Where ceiling height reaches at least 18 feet, freedom in arranging storage or workflow becomes possible. Four access points at ground level permit smooth movement of goods regardless of operation type. Parking for around 50 vehicles exists onsite - this availability grows more significant where urban sites face space constraints.
Approximately 7,324 square feet of office enhancements offer an ample administrative area suitable for engineering teams, supervisors, or client-related activities. Because the facility pairs workspace with storage capacity, it draws interest from those needing visible offices combined with a practical industrial layout.
One benefit stands out: the sublease runs until January 31, 2030, allowing steady occupancy amid shrinking industrial space supply. Beyond that, MPD zoning permits diverse industrial activities, fitting firms at different stages. Until then, predictable costs remain possible even as competition increases nearby. Flexibility becomes clear when considering how easily usage can shift under current regulations. Well into the next decade, tenants gain time without pressure to relocate quickly. With such zoning, adaptation matters less than intent - what you do defines fit, not rigid categories. Market constraints make extended terms rare; this one exists. Not every location allows so many operational types in one framework. Through 2030, decisions need not rush simply due to lease limits. Zoning like this often draws varied enterprises seeking room to adjust. Length alone does not ensure value - here, timing aligns with scarcity. Instead of constant renegotiation, continuity emerges by design. For some, five more years would suffice; here, nearly six are available. Regulatory allowance opens doors mechanical walls cannot. Tenants avoid sudden moves while others scramble for space elsewhere. Operations needing tolerance find it within these boundaries. As demand grows, leases ending later grow harder to match. Even modest ventures may thrive where rules permit change. Staying put gains appeal when alternatives shrink steadily. What fits today might expand tomorrow - the zone accepts both.
Just off the main route through Ventura’s long-standing industrial zone, 2810 Bunsen Avenue sits near several key communities - Oxnard, Camarillo, Thousand Oaks, Moorpark, Santa Paula among them. With a highway entrance close by, transport across Ventura County moves without delay, while links to Los Angeles and the Central Coast remain straightforward. This positioning supports broader operational needs across the region.
A location at 2810 Bunsen Avenue offers practical advantages when demand exceeds available spaces. Freeway exposure emerges as one factor among several that shape its appeal. Office-industrial balance follows naturally from layout choices made during construction. Strong performance metrics tend to follow such foundational traits. Limited inventory across the region adds weight to these attributes.
Property Highlights
-
±23,278 SF freestanding industrial building
-
±7,324 SF office space
-
1.19-acre site
-
18’ minimum clear height
-
4 grade-level loading doors
-
±50 on-site parking stalls
-
Immediate access to Highway 101 via Victoria Ave
-
Zoning: MPD
-
Remaining sublease term through 01/31/2030
-


